Contatore elettromeccanico ad induzione

E' il più diffuso tra i misuratori di energia nei sistemi elettrici in corrente alternata. Si compone essenzialmente di tre parti : un motore ad induzione che sviluppa una coppia motrice proporzionale alla potenza assorbita dall'utenza, un magnete permanente che sviluppa una coppia resistente proporzionale alla velocità di rotazione del motore, un ruotismo contagiri detto anche numeratore :

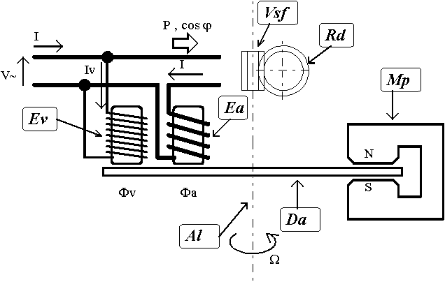
Per quanto riguarda il motore ad induzione, esso consta di uno statore formato da due elettromagneti a nucleo laminato Ev , Ea e di un rotore formato da un disco Da di materiale conduttore (lega di alluminio) calettato sull'albero Al del motore stesso.

L'elettromagnete voltmetrico è alimentato dalla tensione di linea V ed è composto di un avvolgimento fatto di numerosissime spire realizzate con filo smaltato di piccola sezione, così da poter ritenere il circuito puramente induttivo e quindi tale da assorbire una corrente Iv in ritardo di 90° rispetto a V.

L'elettromagnete amperometrico è alimentato in serie alla linea e quindi è percorso dalla stessa corrente I di linea. Per tale motivo il suo avvolgimento viene realizzato con filo smaltato di sezione adeguata alla I e con poche spire.

Se si trascurano la caduta di tensione nell'avvolgimento dell'elettromagnete voltmetrico, gli effetti trasformatorici derivanti dall'interazione elettromagnetica tra elettromagneti e disco e le perdite nei nuclei dei due elettromagneti si potranno ritenere i flussi sinusoidali Fv e Fa generati dagli elettromagneti in fase con le rispettive correnti sinusoidali Iv ed Ia . Con riferimento ad un utilizzatore ohmico - induttivo di sfasamento j , si potrà disegnare il seguente diagramma vettoriale:

Come per tutti gli strumenti ad induzione, dalla interazione fra il flusso sinusoidale prodotto dall'elettromagnete amperometrico e la corrente sinusoidale indotta nel disco dal flusso sinusoidale prodotto dall'elettromagnete voltmetrico e dalla interazione fra il flusso sinusoidale prodotto dall'elettromagnete voltmetrico e la corrente sinusoidale indotta nel disco dal flusso sinusoidale prodotto dall'elettromagnete amperometrico si sviluppa una coppia che vale:

Cm = k·FFa·sen(b)

dove k è una costante che dipende dalla posizione e forma dei due elettromagneti.

Essendo:

b = 90° - j Þ sen(b) = sen(90° - j) = cos(j)

ed essendo Fv proporzionale ad Iv e quindi proporzionale a V e Fa proporzionale ad I si ha infine:

Cm = Km·V·I·cos(j) Þ Cm = Km·P

come volevasi dimostrare.

Si osserva che sullo stesso principio funziona il wattmetro ad induzione, soltanto che per tale strumento la coppia antagonista è fornita da una apposita molla così che la coppia motrice, anzichè far ruotare un disco come nel contatore, fa deviare di un angolo proporzionale alla coppia motrice stessa l'indice.

Per quanto riguarda il magnete permanente Mp , il suo scopo è di produrre una coppia resistente proporzionale in ogni istante alla velocità W di rotazione del disco. Ciò è assicurato dal fatto che, per via della legge generale dell'induzione elettromagnetica, il campo magnetico costante prodotto dalle espansioni polari del magnete permanente, essendo tagliato dal disco in rotazione, indurrà nel disco stesso delle forze elettromotrici e quindi delle correnti (perchè il disco è di materiale conduttore). Le correnti indotte nel disco avranno verso tale per cui, interagendo col campo magnetico che le ha prodotte, svilupperanno delle coppie elettromagnetiche tali da opporsi alla causa che le ha generate, ovvero tali da opporsi alla rotazione del disco. Le coppie frenanti saranno tanto più intense quanto più veloce è la rotazione del disco, si potrà quindi scrivere Cr = Kr·W come volevasi dimostrare.

Vi è però da osservare che, oltre alla coppia frenante originata dal magnete permanente, vi sono altre due coppie frenanti parassite originate dalla interazione fra il flusso sinusoidale prodotto da ciascun elettromagnete e la corrente sinusoidale indotta nel disco dal flusso medesimo. Tali coppie frenanti dipendono, oltre che dalla velocità, dalla tensione al quadrato (per l'elettromagnete voltmetrico) e dalla corrente al quadrato (per l'elettromagnete amperometrico) e, quindi, non soddisfano alla condizione di essere proporzionali alla velocità di rotazione del disco. Per contenere gli errori dovuti alla presenza di tali coppie parassite è necessario che esse siano trascurabili rispetto alla coppia frenante originata dal magnete permanente : ciò è garantito solo se il magnete permanente è del tipo ad alta induzione residua e con un traferro piccolissimo.

Per quanto riguarda il numeratore ci limitiamo a ricordare che esso è costituito nella parte iniziale da una vite senza fine Vsf e da una ruota dentata Rd e nella parte terminale da un numero di rulli variabile da 4 a 7, sui quali sono incise le cifre da 0 a 9 la cui lettura fornisce l'indicazione della energia misurata.

Contatori ad induzione
Programma per la classe quarta
Home Page