Esercizio N° 3 (sui trasformatori monofasi, trasformatore come adattatore di carico)

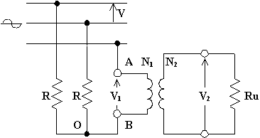
Una linea trifase a tre fili, simmetrica nelle tensioni, alimenta alla tensione V = 30 [kV], 50 [Hz] il carico raffigurato:

Il carico è configurato a stella e prevede sulle prime due fasi due resistenze uguali di valore R = 7 [MW] e sulla terza fase un trasformatore monofase da considerarsi ideale. Il trasformatore ha rapporto di trasformazione m = N1/N2 = 200 ed alimenta una resistenza di valore Ru = 175 [W].

Determinare la tensione d'uscita V2 del trasformatore.

Risoluzione

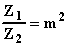
Dalla teoria è noto che in un trasformatore è possibile portare una impedenza dal secondario al primario moltiplicandola per m2. Nel caso nostro, portando Ru al primario si ottiene una resistenza RAB applicata tra i punti A e B di valore:

RAB = Ru·m2 = 175·2002 = 7 [MW]

Quindi, essendo anche le altre due fasi della stella caricate con resistenze da 7 [MW], la stella di centro O sarà equilibrata. Di conseguenza la tensione applicata al primario del trasformatore V1 sarà uguale alla tensione stellata del sistema:

La tensione d'uscita del trasformatore varrà quindi:

Concludiamo osservando che nell'esercizio in esame il trasformatore ideale altro non è che un dispositivo che adatta il carico secondo la relazione:

dove Z1 e Z2 sono le impedenze ai morsetti del primario e del secondario.

Trasformatori
Programma per la classe quarta
Home Page