Come si studia il parallelo

Nel caso di parallelo perfetto a vuoto conviene fare riferimento al seguente circuito:

Se il parallelo è perfetto sia a vuoto che a carico si ha:

IC0 = 0 [A] , V20 = V20A = V20B [V]

cosj2A = cosj2B = cosj2

Se il parallelo è perfetto a vuoto mentre a carico risulta essere V2CCA ¹ V2CCB ed inoltre cosjCCA = cosjCCB si ha:

IC0 = 0 [A] , V20 = V20A = V20B [V]

cosj2A = cosj2B = cosj2

Se il parallelo è perfetto a vuoto mentre a carico risulta cosjCCA ¹ cosjCCB , comunque siano le tensioni di cortocircuito si ha:

IC0 = 0 [A] , V20 = V20A = V20B [V]

cosj2A ¹ cosj2B ¹ cosj2

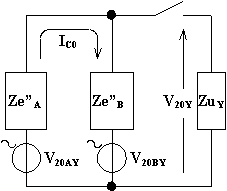
Nel caso di parallelo non perfetto a vuoto, per determinare la corrente di circolazione e la tensione alle sbarre a vuoto conviene fare riferimento al circuito:


Invece, per determinare le correnti erogate dai singoli trasformatori si può ricorrere al principio di sovrapposizione degli effetti ed alle formule di ripartizione:

Oppure si può risolvere la rete applicando Thévenin:

Trasformatori
Programma per la classe quarta
Home Page