Funzionamento dei trasformatori trifasi con carico squilibrato

Il migliore funzionamento del trasformatore trifase si ha quando il carico allacciato ai suoi morsetti d'uscita è equilibrato. Solo in tale caso, applicando al primario una perfetta terna simmetrica di tensioni, si ha una perfetta terna simmetrica pure al secondario. Nella realtà può accadere che il carico applicato al secondario sia squilibrato, quindi è importante conoscere qualitativamente il comportamento del trasformatore trifase in tali condizioni di carico in funzione del tipo di collegamento tra le fasi al primario ed al secondario.

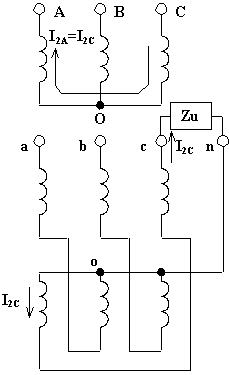
Primario e secondario a stella

Immaginiamo inizialmente di avere la presenza del neutro sia al primario che al secondario. Un tipico caso di carico squilibrato è rappresentato da un carico monofase inserito tra la fase C ed il neutro. Nella fase del secondario interessata circola una corrente I2C la quale richiama una corrente di reazione I1C' nella corrispondente fase primaria. Tale corrente si richiude a sua volta attraverso il filo neutro che rappresenta la via a minore impedenza. In questo modo la corrente di reazione non va ad interessare le altre due fasi del primario e perciò non si ha nessun squilibrio nelle forze magnetomotrici delle due fasi non caricate, il flusso nelle tre colonne rimarrà quindi costante. Questo tipo di collegamento si presta perciò per trasformatori che alimentano carichi squilibrati.

Se si toglie il filo neutro al primario lasciando inserito il carico monofase al secondario, allora la corrente secondaria I2C richiama una corrente di reazione I1C' nella fase primaria corrispondente la quale deve necessariamente chiudersi attraverso le altre due fasi primarie (metà sulla fase A e metà sulla fase B). Le correnti nelle due fasi primarie A e B non trovano una corrispondente corrente nelle rispettive fasi secondarie per cui il loro effetto è totalmente magnetizzante, in altri termini si crea uno squilibrio nei flussi che non costituiranno più una terna simmetrica e potranno assumere valori diversi, anche maggiori, di quelli che si hanno a vuoto con una conseguente variazione delle f.e.m. sia al primario che al secondario. Questo tipo di collegamento non si presta perciò per trasformatori che alimentano carichi squilibrati.

Si può quindi concludere dicendo che il sistema Yy senza il neutro al primario può essere esclusivamente impiegato per il servizio su linee secondarie a tre fili con carico sicuramente equilibrato. La connessione delle fasi a stella presenta il vantaggio di richiedere un isolamento verso massa proporzionato alla tensione stellata che è volte più piccola della tensione concatenata e, sotto questo aspetto, la connessione Yy è particolarmente adatta per le alte tensioni.

Primario a triangolo, secondario a stella con neutro

La corrente di reazione I1C' richiamata al primario dalla corrente secondaria I2C si chiuderà attraverso la linea senza interessare le altre due fasi. Perciò questo tipo di collegamento delle fasi primarie e secondarie viene usato nei trasformatori che devono alimentare carichi squilibrati perché non da origine a dissimmetrie nelle forze elettromotrici. Ogni colonna del trasformatore viene a funzionare come un trasformatore monofase indipendente. Questo tipo di connessioni è perciò particolarmente impiegato nei trasformatori riduttori che alimentano le reti distributrici a bassa tensione a quattro fili.

Primario a triangolo, secondario a stella senza neutro

La connessione triangolo dal lato bt e stella senza filo neutro dal lato AT trova impiego nei trasformatori elevatori delle centrali generatrici dove la connessione a stella degli avvolgimenti ad alta tensione riesce più conveniente per le ragioni inerenti all'isolamento già spiegate mentre la connessione a triangolo del primario, come sappiamo, consente la circolazione della componente di terza armonica delle correnti magnetizzanti ed assicura perciò l'andamento sinusoidale dei flussi e delle forze elettromotrici. Si osserva che in tali trasformatori la tensione applicata al primario è quella d'uscita degli alternatori (6 ¸ 20 [kV]) mentre la tensione al secondario è quella adatta al trasporto (220 ¸ 380 [kV]).

Primario a stella, secondario a zig-zag con neutro

Un carico monofase inserito tra una fase e il filo neutro al secondario richiama corrente in due fasi primarie. Essendo le fasi interessate al primario le stesse del secondario non viene a crearsi alcuno squilibrio delle forze magnetomotrici e, quindi, le forze elettromotrici rimangono costanti nelle tre fasi. Pur senza arrivare all'estrema condizione di squilibrio del carico appena descritta, la ripartizione del carico di ciascuna fase su due diverse colonne produce l'effetto di compensare gli squilibri delle tensioni dovute alle dissimmetrie di carico sulle tre fasi. Un'altra caratteristica importante consiste nella eliminazione della terza armonica dalla tensione secondaria stellata, questa è infatti data dalla differenza tra le due tensioni relative alle due metà della fase che si considera e, poiché le terze armoniche sono in fase tra di loro, eseguendo questa differenza la terza armonica si elimina. Nonostante che, a parità del numero di spire, il collegamento a zig-zag del secondario fornisca una tensione secondaria pari all' 86,5% della tensione che si otterrebbe con il collegamento a stella normale, tuttavia il maggior costo si ritiene compensato dal vantaggio di rendere il trasformatore meglio adatto a sopportare i carichi squilibrati e dal vantaggio di eliminare la terza armonica dalle tensioni stellate secondarie.

Primario a triangolo, secondario a zig-zag con neutro

E', assieme al Dy con neutro, usato quando si richiede l'accessibilità del neutro al secondario e si prevede la possibilità di forti squilibri di carico in esercizio. Consente la massima simmetria delle tensioni e la migliore ripartizione del carico al primario. Le terze armoniche nella corrente magnetizzante dovute alla non linearità del nucleo si manifestano con una corrente che circola soltanto nel triangolo del primario.

Primario a triangolo, secondario a triangolo

Anche questo tipo di collegamento delle fasi permette ottimamente di alimentare dei carichi squilibrati senza che si manifestino delle dissimmetrie nelle forze elettromotrici. Questo tipo di collegamento ha inoltre la caratteristica di mantenere invariate le tensioni secondarie anche se si interrompe una fase del triangolo, si ottiene infatti così il trasformatore a V. Avendo un trasformatore trifase Dd, se per un motivo qualsiasi va fuori servizio una fase, si può avere automaticamente il collegamento a V che risulta essere un collegamento di emergenza in quanto permette ancora la trasformazione trifase però con potenza trasformata minore: infatti le tensioni rimangono immutate mentre le correnti di linea, coincidendo con quelle di fase, sono ridotte di volte. Ne consegue che anche la potenza trasformata viene ridotta di volte.

Trasformatori
Programma per la classe quarta
Home Page