Trasformatore a corrente costante

Si tratta di trasformatori monofasi che, se alimentati a tensione e frequenza costanti, erogano al secondario una corrente costante indipendentemente dal valore della resistenza di carico.


Vengono usati per alimentare gli impianti di illuminazione stradale realizzati con lampade in serie. Questo tipo di illuminazione stradale è indicato nel caso vengano impiegate lampade ad incandescenza (oggi abbandonate a favore delle lampade a scarica nei gas) ed è adottato per densità di carico di 10 ¸ 20 [kW] per chilometro di strada. Presenta il vantaggio di realizzare una economia del conduttore necessario per l'impianto. Inoltre, mentre le lampade alimentate in serie sono percorse tutte dalla stessa corrente e quindi sono sottoposte ad una tensione uguale per tutte (visto che la resistenza RL è la stessa per tutte le lampade), nel caso delle lampade alimentate in parallelo si verifica che le lampade più lontane sono sottoposte ad una tensione minore in quanto risentono della caduta di tensione della linea. Dipendendo il flusso luminoso dalla tensione applicata al quadrato, si verifica che l'intensità luminosa è costante per le lampade in serie mentre per quelle in parallelo è variabile da un punto all'altro della linea. Inoltre le lampade in serie, richiedendo un filamento più grosso, sono meccanicamente più resistenti alle sollecitazioni meccaniche. L'inconveniente delle lampade in serie è quello dello spegnimento di tutte qualora una di esse si interrompa a causa di un guasto, per ovviare a ciò si usano le valvole di tensione collegate in parallelo alle lampade (appena una lampada si interrompe, l'intera tensione V2 si presenta ai capi di detta lampada e questo fa intervenire la valvola).

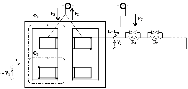
Il trasformatore monofase a corrente costante è costruito col nucleo corazzato, ha la bobina primaria fissa collocata sul fondo della colonna centrale e la bobina secondaria mobile lungo la colonna. La bobina primaria viene alimentata a tensione e frequenza costanti, quella secondaria è tenuta sospesa mediante un contrappeso FG [N] che contribuisce a determinare la seguente condizione di equilibrio FI + FG = FP dove FI [N] è la forza di repulsione elettrodinamica dovuta all'interazione tra la corrente I2 nella bobina secondaria e la corrente I1 presente nella bobina primaria, FP [N] è la forza peso della bobina secondaria. Se in prima approssimazione si suppone costante il flusso utile FU [Wb], allora si potrà ritenere la forza di repulsione elettrodinamica pressoché indipendente dalla posizione lungo la colonna della bobina secondaria e, quindi, affinché l'equilibrio si conservi deve essere costante la corrente erogata I2.

Nel funzionamento a vuoto, essendo nulla la corrente erogata, non potrà sussistere l'equilibrio tra le forze e, quindi, la bobina secondaria si troverà in basso lungo la colonna e graverà sulla primaria con una forza pari a (FP - FG).

Nel funzionamento a pieno carico (per il quale la macchina è dimensionata), la corrente erogata al secondario sarà quella nominale I2N tale da determinare la forza di repulsione elettrodinamica necessaria e sufficiente a produrre la condizione d'equilibrio FI + FG = FP per la quale la bobina secondaria, pur trovandosi nella posizione più bassa lungo la colonna, non graverà più sulla bobina primaria. In queste condizioni la resistenza applicata al secondario è quella nominale:

determinata dal numero massimo NLN di lampade alimentabili in serie e dalla resistenza RL [W] di ciascuna lampada (SN [VA] con cosj2 = 1 è la potenza nominale). Il trasformatore presenta la minima reattanza di dispersione equivalente al secondario Xe" [W] a causa della vicinanza tra i due avvolgimenti ed una impedenza totale vista al secondario del circuito equivalente semplificato pari a:

dove Re" [W] è la resistenza equivalente al secondario.

Se ora immaginiamo di ridurre la resistenza di carico al valore R2 < R2N (ad esempio mandando fuori servizio qualche lampada) accadrà che, inizialmente, la corrente erogata tenderà ad aumentare e, con essa, aumenterà la forza di repulsione elettrodinamica. Quindi si romperà l'equilibrio tra le forze e, prevalendo la forza diretta verso l'alto, la bobina secondaria si allontanerà dalla primaria. Con questo, aumentando il flusso di dispersione FD, aumenterà la reattanza di dispersione al secondario che ad un certo istante assumerà un valore (Xe"+Xa) tale da ridimensionare l'intensità della corrente erogata al valore nominale I2N, con tale corrente si ripristinerà l'equilibrio delle forze e cesserà l'innalzamento della bobina secondaria. Risulta evidente che se la tensione e la frequenza di alimentazione sono rimaste costanti, dovrà essere rimasto costante e, qualunque sia la posizione lungo la colonna per la quale si è ricreato l'equilibrio, dovrà essere:


L'altezza della colonna è dimensionata in modo tale che la condizione di equilibrio possa ricostituirsi anche nel caso di cortocircuito tra i morsetti d'uscita del trasformatore, ovvero del caso di R2 = 0 [W]. In tal caso la reattanza addizionale Xacc che si aggiunge a quella di dispersione Xe" dovrà soddisfare la relazione:


Partendo da una qualsiasi condizione di equilibrio compresa tra il funzionamento a pieno carico ed il funzionamento in cortocircuito si può quindi dire che, se aumenta la resistenza d'uscita la bobina secondaria si abbassa riducendo così la reattanza di dispersione al fine di mantenere costante Z20N, se diminuisce la resistenza d'uscita la bobina secondaria si innalza aumentando così la reattanza di dispersione al fine di mantenere costante Z20N, in ogni caso rimarrà costante e pari al valore nominale la corrente erogata.

Il tutto si può interpretare attraverso il seguente circuito equivalente:


nel quale molto spesso è lecito trascurare i parametri trasversali, visto che la corrente erogata è costantemente quella nominale e, quindi è sempre I1' >> I10.

Trascurando la corrente assorbita a vuoto, e quindi assumendo la corrente al primario uguale a quella di reazione, si ha il diagramma vettoriale disegnato sotto ove si mostra la variazione delle correnti nel passaggio dal pieno carico al cortocircuito e il conseguente grande aumento dello sfasamento.

Valgono le seguenti ovvie relazioni:

Essendo il carico di natura puramente Ohmica, sarà sempre la tensione d'uscita in fase con la corrente erogata e quest'ultima avrà modulo costante pari ad I2N (varierà solo il suo sfasamento rispetto ). Per una generica resistenza di carico 0 £ R2 < R2N si avrà una corrispondente reattanza Xa addizionale a quella di dispersione a pieno carico Xe" di valore tale da soddisfare alla condizione Z20N = costante.

Completiamo questo argomento ricordando che il trasformatore a corrente costante richiede che la bobina secondaria mobile sia munita di un opportuno smorzatore affinché il passaggio da una posizione a un'altra avvenga senza oscillazioni che produrrebbero altrettante fluttuazioni di corrente erogata.

Trasformatori
Programma per la classe quarta
Home Page