Prova a vuoto del trasformatore

Serve per la determinazione delle perdite nel ferro, oltre che della corrente assorbita a vuoto (col relativo fattore di potenza). Inoltre permette di determinare i parametri trasversali del circuito equivalente semplificato.

Viene condotta alimentando il trasformatore con frequenza nominale ed i risultati vanno riferiti alla tensione nominale, infatti le perdite nel ferro dipendono sia dalla tensione che dalla frequenza.

Per il trasformatore monofase il circuito di misura consigliato è il seguente:

Tutti gli strumenti di misura impiegati devono essere per corrente alternata e frequenza pari a quella di prova, inoltre la loro classe di precisione deve essere pari a 0,5 o migliore, così che si possano trascurare gli errori sistematici strumentali e si possa tenere conto unicamente degli errori sistematici d'autoconsumo (che andranno corretti in relazione al tipo d'inserzione impiegato nella prova).

L'alimentazione del circuito deve essere in alternata con forma d'onda sinusoidale.

La regolazione del valore della tensione deve essere effettuata in modo tale da non introdurre deformazioni nella forma dell'onda. Ad esempio può essere utilizzato (come mostra lo schema) un autotrasformatore con rapporto di trasformazione variabile. E' lecito anche l'impiego di trasformatori a rapporto di trasformazione variabile, di regolatori ad induzione oppure di gruppi di generazione autonomi (motore ed alternatore) nel qual caso, oltre alla tensione, potrà essere variata anche la frequenza. Non si possono invece impiegare reostati di regolazione perché le eventuali deformazioni della corrente magnetizzante assorbita dalla macchina produrrebbero inevitabilmente delle deformazioni nelle c.d.t. sui reostati e, quindi, nella tensione applicata al circuito.

Il frequenzimetro, inserito a monte del variatore di tensione perché per un corretto funzionamento necessita di una tensione applicata sufficientemente grande, verifica che la frequenza sia quella nominale (dalla frequenza dipendono le perdite nel ferro).

Il voltmetro, inserito tra due fili di linea per misurare il valore della tensione applicata.

L' amperometro serve a misurare la corrente assorbita a vuoto.

Il wattmetro serve a misurare la potenza assorbita dal trasformatore. Siccome il f.d.p. per un trasformatore a vuoto è tipicamente molto basso, è consigliato l'impiego di un wattmetro a basso cosj , si hanno così risultati più accurati.

L'inserzione adottata è del tipo con le voltmetriche a monte, questo perché il trasformatore a vuoto è assimilabile ad un'impedenza di grande valore e tale inserzione favorisce errori d'autoconsumo più piccoli (in ogni caso tali errori verranno corretti).

Il trasformatore deve essere alimentato dal lato di bassa tensione (lato secondario). Questo perché la corrente assorbita a vuoto è pochi percento della nominale e, per avere valori circolanti rilevabili con maggiore precisione, risulta conveniente scegliere il lato di bassa tensione nel quale la corrente nominale è più alta.

Se si desidera unicamente determinare il valore delle grandezze sopra elencate si può fare un'unica prova con tensione e frequenza nominali. Se invece si vogliono tracciare le caratteristiche a vuoto è necessario fare diversi rilievi, tutti alla frequenza nominale, a partire da una tensione applicata leggermente superiore alla nominale, ad esempio 1,1·V2n [V], e procedere riducendo la tensione fino a zero.

Per ciascuna delle prove si determineranno:

V2 [V]

direttamente indicata dal voltmetro.

I20 [A]

direttamente indicata dall'amperometro.

P0 = W - RWA·I202 - RA·I202 [W]

essendo RWA [W] la resistenza interna amperometrica del wattmetro e RA [W] la resistenza interna dell'amperometro. La potenza così calcolata è quella assorbita dal trasformatore a vuoto che coincide (a meno delle perdite provocate dalla corrente a vuoto nel rame dell'avvolgimento di bt che si possono ritenere trascurabili visto il basso valore della corrente) con le perdite nel ferro.

che rappresenta il f.d.p. a vuoto del trasformatore.

Grazie ai valori sopra calcolati, si possono determinare le seguenti caratteristiche a vuoto:

a) corrente assorbita in funzione della tensione applicata I20 = f(V2).

La caratteristica corrisponde a quella di magnetizzazione del nucleo della macchina, infatti la tensione applicata è proporzionale al flusso e quindi all'induzione e la corrente assorbita (per gran parte magnetizzante) è proporzionale al campo magnetico. Considerando che il circuito magnetico ha traferri molto limitati, la caratteristica è abbastanza incurvata.

Il punto di funzionamento nominale, se il trasformatore è bene dimensionato, si situa nella zona iniziale del ginocchio. Questo permette di contenere sia i fenomeni di non linearità propri del mezzo ferromagnetico che le perdite nel ferro (legate ai valori dell'induzione).

In corrispondenza della tensione secondaria nominale V20n [V] si leggerà sul diagramma la corrente secondaria a vuoto I20n [A].

b) perdite nel ferro in funzione della tensione applicata P0 = f(V2).

Le perdite nel ferro, a frequenza costante, dipendono pressoché dal quadrato dell'induzione massima e, quindi, dal quadrato della tensione applicata. Per tale motivo questa caratteristica ha andamento parabolico.

In corrispondenza della tensione secondaria nominale V20n [V] si leggeranno sul diagramma le corrispondenti perdite nel ferro P0n [W].

c) fattore di potenza a vuoto in funzione della tensione applicata cosj0 = f(V2).

Il valore del fattore di potenza a vuoto si mantiene parecchio al di sotto del valore uno. La sua limitata variazione al variare della tensione applicata è dovuta al variare del rapporto tra la potenza attiva e la potenza reattiva assorbite ed è legata anche ai fenomeni di non linearità propri del mezzo ferromagnetico.

Dalle caratteristiche tracciate si determinano le seguenti grandezze riferite alla tensione e frequenza nominali:

Tali valori andranno confrontati con quelli forniti dalle tabelle dei costruttori al fine di valutare la bontà del comportamento a vuoto del trasformatore provato.

Si possono poi determinare i parametri trasversali del circuito elettrico equivalente semplificato:


Osservazione: le portate amperometriche e voltmetriche degli strumenti di misura andranno definite con riferimento ai dati di targa ed ai dati riportati sulle tabelle dei costruttori.

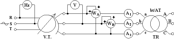
Per il trasformatore trifase il circuito di misura consigliato è il seguente:


Lo schema sopra disegnato impiegante l'inserzione Aron è utilizzabile senz'altro nel caso di trasformatore trifase con nucleo corazzato (detto anche a mantello). Infatti per tale tipo il comportamento a vuoto (dove la corrente magnetizzante è prevalente) è di tipo equilibrato e, quindi, si può utilizzare tale inserzione pure per calcolare il fattore di potenza. Se il nucleo è a colonne bisogna tenere conto dello squilibrio della corrente magnetizzante nelle tre fasi (discusso in teoria) e di conseguenza bisogna ricorrere ad un diverso schema, ad esempio si possono impiegare tre wattmetri uguali inseriti su un centro stella equilibrato:

Tale inserzione è pure consigliabile nel caso di nucleo corazzato, infatti diventa possibile usare tre wattmetri a basso cosj ed in tal modo si possono ridurre significativamente gli errori strumentali (si ricordi che il f.d.p. a vuoto è bassissimo, inferiore di 0,5 in ritardo, ed impiegando l'inserzione Aron si avrebbe il secondo wattmetro con indicazione negativa. Di conseguenza la potenza attiva andrebbe calcolata come differenza aritmetica tra il primo ed il secondo wattmetro con la conseguente propagazione di un grave errore sul risultato).

Sempre riguardo al circuito di misura bisogna aggiungere che l'alimentazione deve essere costituita da una terna simmetrica di tensioni sinusoidali e che si pongono tre amperometri per controllare che le correnti nelle tre fasi siano pressoché uguali (differenze significative starebbero ad indicare un cattivo funzionamento ed in tal caso si dovrebbe sospendere la misura). Valgono inoltre tutte le altre considerazioni già fatte per il circuito relativo al trasformatore monofase.

Se non si desidera tracciare le caratteristiche a vuoto è possibile fare un'unica misura con tensione e frequenza nominali. Con ovvio significato dei simboli, le espressioni con le quali elaborare i risultati sperimentali sono le seguenti:

V20n [V]

direttamente indicata dal voltmetro.

I20n = (A1 + A2 + A3) / 3 [A]

purché le indicazioni dei tre amperometri non differiscano sensibilmente.

P0n = WA + WB - 2·RWA·I20n2 - 3·RA·I20n2 [W]

essendo RWA [W] la resistenza interna amperometrica dei wattmetri (supposti uguali) e RA [W] la resistenza interna degli amperometri (supposti uguali). La potenza così calcolata è quella assorbita dal trasformatore a vuoto che coincide (a meno delle perdite provocate dalla corrente a vuoto nel rame degli avvolgimenti di bt che si possono ritenere trascurabili visto il basso valore della corrente) con le perdite nel ferro.

Se si fosse utilizzata l'inserzione coi tre wattmetri sul centro stella artificiale si sarebbe calcolato:

P0n = W1 + W2 + W3 - 3·RWA·I20n2 - 3·RA·I20n2 [W]

che rappresenta il f.d.p. a vuoto del trasformatore.

Le formule per il calcolo dei valori percentuali e dei parametri trasversali del circuito equivalente semplificato sono esattamente le stesse del trasformatore monofase.

Trasformatori
Programma per la classe quarta
Home Page