Rilievo diretto delle caratteristiche del trasformatore

Ha lo scopo di rilevare tutte le varie caratteristiche durante l'effettivo funzionamento della macchina. Ovviamente deve essere disponibile in laboratorio un dispositivo di caricamento del trasformatore. Tale metodo è applicabile solo per trasformatori di piccola potenza, inferiore ad 1 [kVA] se monofasi, inferiore a 5 [kVA] se trifasi. E' bene, prima di procedere al rilievo delle caratteristiche, porre sotto carico nominale il trasformatore fin tanto che la temperatura degli avvolgimenti non abbia raggiunto il valore di regime termico.

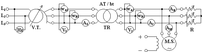
Con riferimento al trasformatore trifase il carico deve essere equilibrato ed un possibile circuito di misura è il seguente:

In tale schema la componente attiva del carico è realizzata mediante un reostato trifase R e la componente reattiva mediante un motore sincrono M.S. (che andrà sottoeccitato se si vuole un f.d.p. in ritardo, sopraeccitato se si vuole un f.d.p. in anticipo).

Il rilievo della caratteristica esterna e della curva del rendimento si esegue alimentando l'avvolgimento primario con tensione e frequenza nominali (che andranno mantenute costanti per tutta la prova intervenendo quando necessario col variatore di tensione). Quindi si regola il carico in modo da avere al secondario la corrente nominale ed il f.d.p. desiderato. In queste condizioni si ha il primo punto (corrispondente al funzionamento a pieno carico) della caratteristica esterna ed il primo punto della curva del rendimento. Per quanto riguarda gli autoconsumi, con riferimento allo schema riportato, al primario andranno detratti dalla potenza ( WA1 + WB1 ) quelli volmetrici per avere la potenza assorbita dal trasformatore ed al secondario andranno sommati alla potenza ( WA2 + WB2 ) quelli voltmetrici per avere la potenza erogata dal trasformatore. Quindi, intervenendo sul carico, si riduce la corrente erogata e si rilevano altri punti fino ad avere il funzionamento a vuoto. Per essere sicuri che il f.d.p. al secondario sia costante si dovrà controllare che rimanga costante il rapporto tra le indicazioni dei wattmetri inseriti al secondario.

Per il rilievo della caratteristica di regolazione si inizia col trasformatore a vuoto e si regola la tensione al primario in modo da avere al secondario la tensione che si vuole mantenere costante. Quindi si inserisce il carico e gradualmente lo si aumenta e di volta in volta si regola la tensione di alimentazione del primario per avere al secondario il valore costante di tensione prefissato, la costanza del f.d.p. al secondario sarà verificata attraverso la costanza del rapporto tra le indicazioni dei wattmetri inseriti in uscita del trasformatore.

Trasformatori
Programma per la classe quarta
Home Page