Esercizio N° 2 (sistema a tre fili simmetrico, carico equilibrato a triangolo, caso di guasto )
E’ dato un sistema trifase a tre fili, simmetrico nelle tensioni, V = 380 [V], f = 50 [Hz], che alimenta tre impedenze uguali di valore
collegate a triangolo.
Determinare :
a) le tensioni applicate a ciascuna impedenza, le correnti di linea, le potenze attiva e reattiva complessive, le indicazioni di due wattmetri inseriti secondo Aron sui fili di linea 2 e 3;
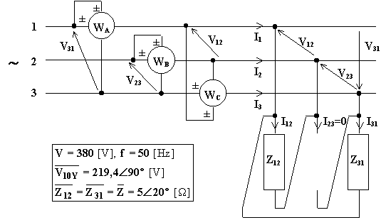
b) ipotizzando che a causa di un guasto l’impedenza collegata tra la fase 2 e la fase 3 si interrompa, rideterminare le tensioni applicate alle singole impedenze, le correnti di linea, le potenze attiva e reattiva complessive, le indicazioni di tre wattmetri inseriti secondo Righi;
Risoluzione
Risposta alla domanda a)

A ciascuna impedenza risulta applicata la corrispondente tensione concatenata, quindi assumendo come riferimento la tensione stellata sulla prima fase con argomento +90°, si avrà:

Ciascuna impedenza assorbirà una corrente di fase di intensità:

in ritardo (perché l'impedenza è ohmico-induttiva) di 20° (l’argomento delle impedenze) sulla rispettiva tensione concatenata. La loro espressione simbolica sarà quindi:

Le correnti di linea costituiranno una terna simmetrica di intensità:

e saranno in ritardo di 20° (l’argomento delle impedenze) rispetto alle corrispondenti tensioni stellate. La loro espressione simbolica sarà quindi:

Le potenze attiva e reattiva complessive, considerando che il sistema è simmetrico ed equilibrato e che lo sfasamento vale 20° , si possono trovare con le relazioni:

Confrontando i risultati con quelli dell’esercizio precedente si osserva che le stesse impedenze collegate a triangolo anziché a stella, se sottoposte alla stessa tensione, determinano assorbimenti di corrente e impegni di potenza tre volte più grandi.
Le indicazioni di due wattmetri inseriti secondo Aron sui fili 2 e 3 valgono rispettivamente:

Si può immediatamente verificare che, a meno della cifra approssimata, è:

Le tensioni e correnti calcolate hanno sul piano di Gauss la seguente rappresentazione:

Risposta alla domanda b)

A ciascuna delle due impedenze risulta applicata la corrispondente tensione concatenata, quindi assumendo come riferimento la tensione stellata sulla prima fase con argomento +90°, si avrà:

Ciascuna delle due impedenze assorbirà una corrente di fase di intensità:

in ritardo di 20° (l’argomento delle impedenze) sulla rispettiva tensione concatenata. La loro espressione simbolica sarà quindi:

Le correnti di linea non costituiranno più una terna simmetrica ed avranno valore:

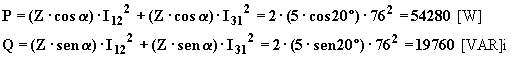
Le potenze attiva e reattiva si dovranno calcolare applicando il teorema di Boucherot:

Le indicazioni dei tre wattmetri inseriti secondo Righi saranno le seguenti:

Si può immediatamente verificare che, a meno della cifra approssimata, è:

Le tensioni e correnti calcolate hanno sul piano di Gauss la seguente rappresentazione:

Sistemi trifasi
Programma per la classe quarta
Home Page