Wattmetri e varmetri trifasi (cenni)

I wattmetri trifasi sono strumenti che danno direttamente l'indicazione della potenza attiva totale assorbita da un sistema trifase a tre o quattro fili. La loro classificazione può avvenire o in base al principio di funzionamento o in base al metodo di inserzione che adottano. Essendo normalmente strumenti da quadro, sono di tipo elettrodinamico, ferrodinamico o ad induzione. I wattmetri trifasi risultano essere costituiti da uno o più wattmetri monofasi, riuniti meccanicamente ed agenti su un unico indice in modo da indicare la somma algebrica delle singole indicazioni in applicazione dei metodi di misura già visti. Si hanno pertanto: a) wattmetri trifasi ad un solo sistema wattmetrico; b) wattmetri trifasi a due sistemi wattmetrici; c) wattmetri trifasi a tre sistemi wattmetrici.

I wattmetri trifasi ad un solo sistema wattmetrico, detti anche wattmetri pseudotrifasi, sono essenzialmente di due tipi e vengono impiegati nei sistemi trifasi simmetrici ed equilibrati. Il primo tipo è costituito da un wattmetro inserito con l'amperometrica su un filo di linea e con la voltmetrica inserita tra il filo di linea e il filo neutro, se accessibile, o un centro stella equilibrato creato artificialmente.

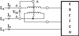
Il secondo tipo, riportato nella figura sopra, è costituito da due circuiti amperometrici in cui le correnti scorrono in senso inverso e da un circuito voltmetrico. Essendo in un sistema simmetrico ed equilibrato ed essendo lo sfasamento tra ed pari a j , il wattmetro dà una indicazione uguale a [W].

I wattmetri trifasi a due sistemi wattmetrici non sono altro che due wattmetri monofasi, inseriti secondo Aron.

I wattmetri trifasi a tre sistemi wattmetrici sono costituiti da tre circuiti amperometrici e da tre circuiti voltmetrici e sono equivalenti a tre wattmetri monofasi. Vengono impiegati nei sistemi trifasi a quattro fili, quando il sistema risulta dissimmetrico e squilibrato.

Analoghe considerazioni possono svolgersi per i varmetri trifasi.

Sistemi trifasi
Programma per la classe quarta
Home Page