Sequenscopio dinamico a campo rotante

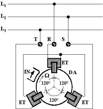
si compone di tre elettromagneti ET statici collegati a stella ed orientati a 120° l'uno rispetto all'altro. Gli elettromagneti vengono allacciati, attraverso tre morsetti R , S , T , alla linea trifase per la quale si cerca il senso ciclico, in tal modo si crea un campo rotante (analogamente a quanto accade nei motori asincroni trifasi) che agisce su di un disco d'alluminio DA mettendolo in rotazione. Vi è poi un indicatore IN solidale con gli elettromagneti. Se il disco ruota con una velocità W nel senso positivo in dicato da IN, allora i conduttori di linea sono collegati conformemente al senso ciclico positivo delle fasi ( anticipa di 120° su che anticipa di 120° su ). Diversamente, tenendo come riferimento il morsetto R , vanno scambiati gli indici delle fasi degli altri due fili.

Sistemi trifasi
Programma per la classe quarta
Home Page