Metodi di avviamento

All'avviamento si ha negli avvolgimenti rotorici la stessa frequenza propria degli avvolgimenti statorici ed una perfetta analogia col trasformatore in cortocircuito. Tutto questo determina l'assorbimento di una corrente molto più grande di quella nominale (anche 8 ÷ 10 volte), con un bassissimo fattore di potenza ( < 0,2r ) essendo Xd2(1) >> R2.

Per tali motivi, l'avviamento a piena tensione, specie se il motore è di media o grande potenza, provoca perturbazioni inaccettabili nella rete di distribuzione cui esso è allacciato. Si sono quindi messi a punto diversi metodi di avviamento, tutti tendenti a ridurre l'intensità della corrente assorbita e, per alcuni, ad aumentare sia il fattore di potenza che la coppia sviluppata.

Avviamento mediante reostato.

E' possibile solo per i motori con rotore avvolto e ad anelli. Consiste nel collegare in serie, prima dell'avviamento, a ciascuna fase rotorica una resistenza addizionale Ra così da aumentare la resistenza rotorica stessa da R2 a (R2 + Ra). Si ottiene in tal modo una riduzione dell'intensità di corrente assorbita, un aumento del fattore di potenza, un aumento della coppia di spunto (questi aspetti sono già stati discussi a proposito della doppia funzione del reostato di avviamento). E' adatto ad avviare il motore sotto carico.

A titolo di approfondimento vediamo come, utilizzando il diagramma circolare, sia possibile calcolare il valore Ra del reostato affinché la coppia di spunto assuma il valore desiderato CAV* , noti che siano il rapporto di trasformazione m ed R2.


Sul diagramma la coppia di avviamento propria del motore è CAV individuata dal segmento Pc__Ec , mentre la corrente assorbita è IAV. Utilizzando la scala delle coppie si può determinare la lunghezza del segmento Pc*__E* corrispondente alla coppia di spunto desiderata CAV* , quindi si individua il nuovo punto di avviamento Pc* . Si osserva come la nuova corrente di spunto IAV* sia più piccola e meno sfasata che non quella precedente. Siccome Pc* è il nuovo punto di cortocircuito, il segmento Pc*__E* rappresenta, nella scala delle potenze, anche le perdite nel rame di rotore all'avviamento. Si può quindi scrivere:

PJRCC* =3·(R2 + Ra)·I2AV*2 = 3·(R2 + Ra)·m2·IAV'*2 [W]

dove IAV'* è la corrente di reazione all'avviamento pari al segmento Po__Pc* . Risolvendo rispetto Ra si ottiene infine:

che è quanto si cercava.

Avviamento Y/D.

Si utilizza per motori di potenza fino a 20 [kW] ed aventi l'avvolgimento statorico collegato con le fasi a triangolo nel funzionamento normale. Il rotore può essere indifferentemente del tipo avvolto od a gabbia. Si presta solo per avviamenti a vuoto essendo la coppia di spunto notevolmente ridotta.

La figura sottostante riporta lo schema di potenza di un avviamento Y/D ( u , v , w sono i morsetti d'inizio delle fasi statoriche del motore, x , y , z sono i morsetti d'uscita delle fasi statoriche del motore. Non sono riportati i dispositivi di protezione).


All'avviamento, l'interruttore Y deve essere chiuso così che il MAT parta con gli avvolgimenti statorici a stella. Dopo aver chiuso l'interruttore di linea L si dovrà attendere che il motore abbia raggiunto circa l'ottanta percento della velocità a vuoto prima di aprire l'nterruttore Y e, subito dopo, chiudere l'interruttore D relativo al funzionamento con gli avvolgimenti statorici a triangolo. E' importante che l'interruttore D venga chiuso solo dopo avere aperto l'interruttore Y per evitare il cortocircuito tra due fasi. Ovviamente accade che viene a mancare per un breve intervallo di tempo l'alimentazione al motore, così che nell'istante in cui essa si ripristina si presenta una punta di corrente assorbita che può provocare gravi disturbi elettrici nella linea di alimentazione ed altrettanto gravi disturbi elettromagnetici nell'ambiente circostante.

L'avviamento a Y comporta la riduzione di tre volte della corrente assorbita (per capirlo basta considerare l'equivalenza tra due carichi trifasi equilibrati, di eguale impedenza, ma alimentati l'uno a stella e l'altro a triangolo) e di tre volte della coppia di spunto (perché la coppia dipende dal quadrato della tensione applicata ed a stella la tensione è più piccola che non a triangolo).

Avviamento mediante autotrasformatore.

E' più costoso dello Y/D , tuttavia è adottato comunemente per i motori di potenza più elevata in quanto elimina le punte di corrente all'avviamento non mancando mai la tensione durante l'avviamento. Il rotore può essere indifferentemente del tipo avvolto od a gabbia. Inoltre permette di rendere più graduale l'avviamento essendo possibile adottare per l'autotrasformatore più prese intermedie. Anche per questo tipo di avviamento, considerando la dipendenza della coppia dal quadrato della tensione ed il basso valore che di solito si adotta per la tensione iniziale, si deve avere il motore a vuoto.

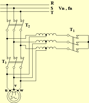
La figura sottostante riporta lo schema di potenza di un avviamento mediante un autotrasformatore ad un'unica presa intermedia ( u , v , w sono i morsetti d'inizio delle fasi del motore, x , y , z sono i morsetti d'uscita delle fasi del motore. Non sono riportati i dispositivi di protezione).

La successione delle operazioni da eseguirsi per avviare il motore è la seguente: per primo viene chiuso l'interruttore T1 così che l'autotrasformatore sia predisposto per il funzionamento a stella. Poi si chiude T2 (conservando chiuso T1 ) ed il motore viene alimentato tramite l'autotrasformatore ad una tensione pari a 0,5·Vn. Quindi si apre T1 così che il motore venga alimentato attraverso le bobine di reattanza dell'autotrasformatore che si trovano in serie alla linea. Per ultimo si chiude T3 ed il motore si trova ad essere alimentato a piena tensione essendo le bobine di reattanza cortocircuitate.


Nel caso preso in considerazione di un autotrasformatore ad un'unica presa intermedia, la coppia all'avviamento è ridotta ad 1/4 (essendo la tensione 1/2 della nominale) ed anche la corrente assorbita è ridotta ad 1/4 della nominale (purché si supponga il motore come un carico d'impedenza costante: infatti al motore è applicata metà della sua tensione nominale ed esso assorbirà metà della corrente normale di avviamento; questa corrente poi è ridotta ancora della metà essendo il rapporto di tensione dell'autotrasformatore due ad uno).

Gli autotrasformatori per questo impiego, essendo destinati ad un servizio di durata limitata (1 minuto circa), lavorano con elevati valori di induzione magnetica (fino a 1,6 [Wb/m2]) e con elevati valori di densità di corrente (fino a 20 [A /mm2]). Per questo motivo sono molto più compatti e meno costosi degli autotrasformatori per il servizio continuo (il costo e l'ingombro possono essere ulteriormente ridotti adottando autotrasformatori con due sole fasi collegate a " V ").

Avviamento mediante reattanze o resistenze statoriche.

Può essere adottato nel caso di piccoli motori alimentati da reti di modesta portata. Il rotore può essere indifferentemente del tipo avvolto od a gabbia. Rispetto all'avviamento Y/D presenta il vantaggio di non avere interruzioni nell'alimentazione. Le reattanze vengono bypassate mediante un cortocircuito ad avviamento completato. La coppia di spunto si riduce secondo il quadrato della tensione applicata, la corrente assorbita si riduce in misura pressoché proporzionale alla tensione applicata.

Motori col rotore a doppia gabbia.

Discutendo l'influenza di R2 sul comportamento del motore abbiamo visto come all'avviamento sia conveniente un elevato valore di R2 , per favorire una elevata coppia di spunto associata ad una corrente assorbita bassa e poco sfasata, mentre in marcia normale è conveniente un basso valore di R2 , per favorire un basso scorrimento ed un elevato rendimento. Un modo semplice ed ingegnoso di soddisfare tali contrastanti esigenze consiste nel costruire il circuito rotorico in forma di doppia gabbia. Viste in sezione, due generiche barre, esterna Be ed interna Bi (tra di loro poste in parallelo mediante gli anelli frontali), si presentano nel seguente modo:

La gabbia esterna ha barre di sezione molto minore di quelle della gabbia interna, quindi sarà R2e >> R2i . La gabbia interna, essendo molto più immersa nel ferro rotorico, è autoconcatenata con una maggior quantità di flusso disperso così da avere un coefficiente di autoinduzione molto maggiore Ld2i >> Ld2e.

All'avviamento, essendo le frequenze rotoriche le più alte (uguali a quelle statoriche), l'impedenza di ciascuna barra è determinata soprattutto dalla componente reattiva (proporzionale alla frequenza) e, quindi, la barra interna avrà una impedenza maggiore della barra esterna. La corrente rotorica circolerà prevalentemente nella gabbia esterna che, avendo elevata resistenza, favorirà ottime condizioni di avviamento.

Mano a mano che l'avviamento procede, le frequenze rotoriche diminuiranno fino a ridursi a qualche frazione di Hertz (velocità a vuoto) o pochi Hertz (velocità a carico nominale). Per tale motivo l'impedenza di ciascuna barra sarà sempre più determinata dalla componente ohmica e, quindi, la barra esterna avrà una impedenza sempre più grande della barra interna. La corrente rotorica circolerà sempre più nella gabbia interna che, avendo bassa resistenza, favorirà ottime condizioni di marcia nominale.

Un motore a gabbia semplice, se avviato a piena tensione, presenta l'assorbimento di una corrente 6 ÷ 8 volte la nominale ed una coppia di spunto sempre minore della nominale. L'avviamento a piena tensione è consentito solo per motori di piccola potenza (< 3 [kW]) ed a vuoto; per potenze maggiori si deve effettuare un avviamento a tensione ridotta e sempre col motore a vuoto. Un motore a doppia gabbia, se avviato a piena tensione, assorbe una corrente mai superiore di 4 volte la nominale ed una coppia di spunto che può essere anche il doppio della nominale. Avviandolo a tensione ridotta la corrente supera non di molto quella nominale e la coppia può eguagliare la nominale, per cui è possibile anche l'avviamento a carico. I motori vengono costruiti con la gabbia semplice per potenze fino a 20 [kW], a doppia gabbia per potenze fino a circa 10.000 [kW] (per potenze attorno ai 20 [kW] si costruiscono motori con gabbia a barre alte che hanno un comportamento intermedio tra i due).

Il comportamento elettrico di un motore a doppia gabbia si discosta sensibilmente da quanto visto finora. Infatti i parametri elettrici del rotore (resistenza e induttanza) risultano essere variabili al variare dello scorrimento. Il diagramma delle correnti è sensibilmente circolare nella parte prossima al funzionamento nominale, ma presenta un insellamento nella vicinanza della condizione di cortocircuito (in coincidenza della migrazione della corrente rotorica dall'una all'altra gabbia). All'insellamento della caratteristica di corrente corrisponde un insellamento della caratteristica meccanica.

Macchine asincrone
Programma per la classe quinta
Home Page