Dinamo ad eccitazione composta (compound)

Ha il seguente schema elettrico:


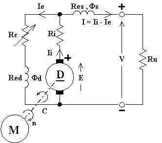
Su ciascun polo induttore della dinamo vengono poste due bobine anziché una, la prima Red composta di molte spire di piccola sezione eccitata in derivazione, la seconda Res composta di poche spire di grande sezione eccitata in serie. Tale tipo di eccitazione si può ottenere in due modi, a corta derivazione (come in figura) o a lunga derivazione.

Le equazioni interne e l'equazione esterna sono analoghe a quelle già viste per le altre dinamo e si ricavano dal circuito equivalente sopra disegnato.

Per quanto riguarda la caratteristica esterna, siccome per le dinamo in derivazione essa è calante mentre per le dinamo in serie essa è nel primo tratto crescente, dimensionando opportunamente il numero di spire degli avvolgimenti d'eccitazione in derivazione ed in serie si riesce a far si che la caratteristica esterna sia praticamente costante nel primo tratto. Viene chiamata corrente di compensazione quella corrente erogata per la quale la tensione d'uscita a carico è uguale alla tensione d'uscita a vuoto. Se In = Ico la dinamo si dice compensata a pieno carico, se In = 2·Ico si dice compensata a metà carico.

La caratteristica di regolazione è del tutto analoga a quella già vista per le altre dinamo.

Macchine in corrente continua
Programma per la classe quinta
Home Page