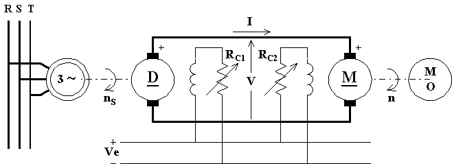
Gruppi Ward-Leonard

Permettono di ottenere un maggior campo di variabilità della velocità e di rendere più agevoli sia le operazioni di avviamento che di frenatura dei motori.

Il maggior campo di variabilità è possibile grazie alla possibilità di regolare il motore (in questo caso ad eccitazione indipendente) sia attraverso la variazione del reostato di campo RC2 che della tensione V applicata all'armatura.

La macchina asincrona funziona normalmente da motore e trascina la macchina in corrente continua ad essa coassiale, funzionante da generatore, ad una velocità nS praticamente costante al variare del carico (considerando i valori contenuti dello scorrimento).

Il motore viene fatto partire con una tensione sufficientemente bassa intervenendo sul reostato di campo RC1, in tal modo non è necessario il reostato d'avviamento del motore e le perdite in fase di avviamento sono ridotte. Per bassi valori di velocità si fa funzionare il motore con corrente assorbita costante e reostato RC2 del tutto disinserito, quindi flusso nel motore praticamente costante (trascurando i fenomeni di saturazione). La velocità viene variata agendo su RC1 e, quindi, sulla tensione V. In tal modo la coppia del motore è costante (nei limiti in cui sono costanti la corrente assorbita ed il flusso), e la potenza resa dal motore è proporzionale alla velocità n ed, a meno della c.d.t. sulla resistenza interna del motore, alla tensione V. Raggiunta la velocità corrispondente alla tensione massima possibile, si mantiene costante tale tensione massima e si agisce su RC2 per aumentare la velocità del motore, infatti un aumento del reostato comporta una diminuzione della corrente d'eccitazione e del flusso e quindi un aumento della velocità.

Per invertire il senso di marcia del motore si inverte la polarità dell'eccitazione della dinamo, infatti così facendo viene invertita la polarità della tensione applicata all'armatura del motore.

E' possibile la frenatura a recupero, basta ridurre bruscamente la corrente d'eccitazione della dinamo, in modo che la sua f.e.m. risulti inferiore alla f.e.m. del motore che, ora, funzionerà da generatore erogando una potenza elettrica pari alla propria energia cinetica specifica ed alla potenza meccanica ricevuta dalla macchina operatrice MO. La macchina in corrente continua coassiale con la macchina asincrona funzionerà da motore erogando all'albero la potenza ricevuta sotto forma elettrica e la macchina asincrona funzionerà da generatore riversando in rete l'equivalente potenza elettrica.

Macchine in corrente continua
Programma per la classe quinta
Home Page