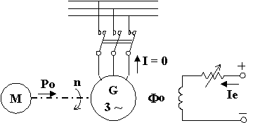
Funzionamento a vuoto dell'alternatore

L'alternatore funziona a vuoto quando, essendo regolarmente eccitato in corrente continua, è trascinato in rotazione alla sua velocità nominale ed ha il circuito statorico aperto, così che negli avvolgimenti d'indotto non si abbiano correnti.

In tali condizioni, l'unico campo presente nella macchina è quello induttore F0 che, in perfetta analogia con quanto visto per il motore asincrono, produce in ciascuna fase dell'indotto la f.e.m. sinusoidale:

E0 = KA·F0·f·N [V]

dove [Hz] e F0 [Wb] è il flusso per polo.

Se il collegamento tra le fasi è a stella, la tensione d'uscita a vuoto vale [V], se è a triangolo si ha [V].

Il motore primo trasmette una potenza Po = Pm + PFe0 + Pec [W] dove Pm sono le perdite meccaniche (per attrito e ventilazione), PFe0 sono le perdite nel ferro a vuoto (nel nucleo dello statore e nelle scarpe polari del rotore nel caso di cave statoriche aperte o semiaperte), Pec sono le perdite per l'eccitazione (da considerarsi solo se l'eccitazione è del tipo coassiale).

Naturalmente, essendo Po fornita dal motore primo funzionante con velocità angolare [rad/s], la coppia resistente sviluppata dall'alternatore a vuoto sarà:


Nel funzionamento a vuoto risulta essere particolarmente significativa la caratteristica di magnetizzazione Eo = f(Ie) , ricavata facendo variare la corrente di eccitazione e mantenendo costante (e pari al valore nominale) la velocità di rotazione.

L'andamento di tale caratteristica è quello tipico dei materiali ferromagnetici, la corrente di eccitazione è proporzionale al campo magnetico, la f.e.m. è proporzionale al flusso e quindi all'induzione.

Si osserva che, a causa del magnetismo residuo, tipico nelle macchine eccitate in corrente continua, si ha una f.e.m. Eor anche con corrente di eccitazione nulla.

Negli alternatori ben dimensionati, la corrente nominale di eccitazione Ien ha un valore tale per cui il punto di lavoro si situa immediatamente dopo il ginocchio (in contraddizione con l'ipotesi semplificativa (b)), questo per evitare che piccole accidentali variazioni della eccitazione producano sensibili variazioni della f.e.m. Eon e quindi della tensione d'uscita dell'alternatore.

Macchine sincrone
Programma per la classe quinta
Home Page