Sistemi di eccitazione

Gli avvolgimenti di eccitazione, che fanno parte ovviamente del circuito di eccitazione, servono a creare il flusso magnetico induttore principale. Essi sono posti attorno ad ogni polo e risultano collegati tra di loro in serie in modo da essere percorsi dalla stessa corrente Ie [A] affinché ogni polo generi rigorosamente lo stesso flusso. Detta corrente è continua e viene fornita alla macchina sincrona con modalità e dispositivi diversi a seconda dei casi.

Nelle macchine di potenza significativa, gli estremi degli avvolgimenti di eccitazione (ruotanti assieme al rotore) fanno capo a due anelli collettori, isolati tra di loro e rigidamente calettati sull'albero di rotazione. Su ciascun anello preme una spazzola, tenuta ferma, ed attraverso le due spazzole si alimenta la serie degli avvolgimenti mediante un opportuno dispositivo di eccitazione in corrente continua.

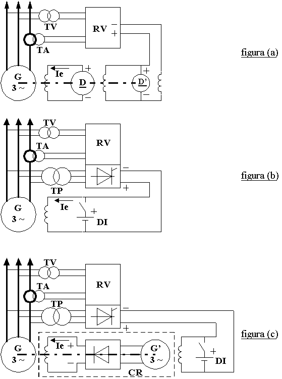
Un tempo il sistema di eccitazione era costituito da una dinamo principale D eccitata da un'altra dinamo ausiliaria D' di minor potenza, entrambe coassiali con l'alternatore (figura a).

Oggi si utilizza un gruppo statico di tiristori (figura b) il quale converte in tensione continua la tensione alternata trifase dell'alternatore stesso (o di una rete ausiliaria). L'eccitazione statica garantisce un più elevato rendimento, una maggiore affidabilità ed una migliore regolazione della corrente di eccitazione. Infatti trattandosi di un sistema elettronico i dispositivi automatici di regolazione e controllo RV possono realizzare facilmente qualsiasi tipo di regolazione purché al controllo pervengano , tramite i trasformatori di misura TV ed i TA, i segnali proporzionali alla tensione ed alla corrente dell'alternatore. Il trasformatore di potenza TP serve ad adattare la tensione dell'alternatore a quella ottimale per l'eccitazione. E' inoltre presente un dispositivo per l'innesco dell'eccitazione DI in fase di avviamento.

Un altro sistema di eccitazione è quello di ricorrere ad un generatore rotante senza spazzole (brushless) accoppiato coassialmente con l'alternatore principale. Questo generatore consiste in un alternatore ausiliario (eccitatrice) avente il sistema induttore allo statore e l'indotto trifase rotante, la cui corrente trifase erogata viene raddrizzata mediante un ponte di diodi di potenza al silicio e quindi inviata agli avvolgimenti induttori dell'alternatore principale (figura c). L'eccitatrice è quindi costituita da un alternatore trifase ausiliario il cui indotto ruota assieme ai diodi raddrizzatori e agli avvolgimenti d'eccitazione dell'alternatore principale, l'insieme prende il nome di complesso rotante coassiale CR. La regolazione della corrente dell'eccitazione principale deve essere realizzata tramite la corrente della eccitazione dell'alternatore ausiliario ricorrendo ad un piccolo gruppo statico di conversione alimentato dalla tensione trifase dell'alternatore principale tramite il trasformatore di potenza TP.

Il tipo di eccitazione della figura (c) è applicato in alternatori di potenza non superiore ai 100 [MVA], ma già per potenze superiori ai 60 [MVA] si tende a preferire l'eccitazione statica di figura (b), l'eccitazione con dinamo coassiale di figura (a) ha soltanto importanza storica.

La potenza richiesta per l'eccitazione di un alternatore varia dal 5% allo 0,2% della potenza nominale passando dagli alternatori di piccola potenza a quelli di grande potenza.

Macchine sincrone
Programma per la classe quinta
Home Page