Rilievo diretto delle caratteristiche di un alternatore

Le caratteristiche esterne, le curve di regolazione e le curve a "V" possono anche essere rilevate direttamente. Tale metodo è particolarmente indicato per le macchine di piccola potenza.

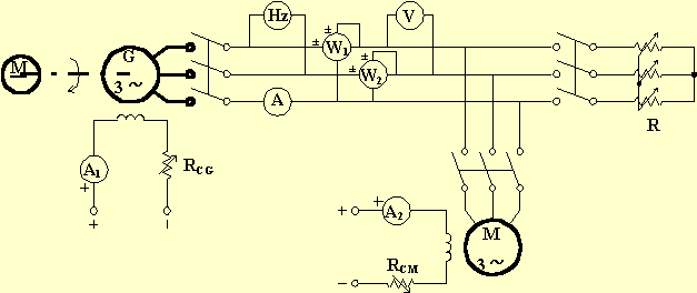
Il circuito per la misura è il seguente:


Il carico è realizzato mediante un reostato trifase con in parallelo un motore sincrono (funzionante a vuoto). Il reostato fornisce il carico reale mentre il motore sincrono fornisce il carico reattivo (induttivo se il motore è sottoeccitato, capacitivo se è sovraeccitato). La costanza del f.d.p. complessivo del carico è verificabile mediante la costanza del rapporto tra le indicazioni dei due wattmetri inseriti secondo Aron. Le caratteristiche si rilevano per il f.d.p. nominale e dopo aver fatto lavorare a carico nominale l'alternatore per un tempo sufficiente al raggiungimento della condizione di regime termico.

Caratteristiche esterne: dopo aver portato la macchina alla sua velocità nominale, si regolano l'eccitazione ed il carico in modo da iniziare la prova dalle condizioni nominali (Vn, In, fn, cosjn, Ien) per cui la caratteristica verrà tracciata a ritroso. Deve essere possibile rilevare anche il valore della tensione d'uscita a vuoto. Il carico si diminuisce regolando insieme il reostato R e l'eccitazione del motore in modo che sia W1 / W2 = cost.


Curve di regolazione : al variare del carico si dovrà regolare la corrente di eccitazione in modo da mantenere costante la tensione d'uscita dell'alternatore, con frequenza e f.d.p. costanti e pari ai valori nominali. Per questa prova si parte inizialmente dalla condizione di funzionamento a vuoto.


Curve a "V" : si carica la macchina e si realizzano le condizioni di potenza reale erogata e tensione d'uscita pari ai valori nominali. Quindi si fa variare la corrente di eccitazione del generatore verificando la corrente erogata. Per facilitare il controllo della potenza è bene sostituire i due wattmetri in Aron con un solo wattmetro su centro stella artificiale: se l'indicazione dovesse variare sarà necessario regolare la coppia motrice del motore primo che trascina l'alternatore dopo aver regolato il carico. E' importante che le regolazioni del carico verifichino anche la condizione di tensione d'uscita costante. Molto spesso la prova sui generatori si esegue realizzando il parallelo dell'alternatore con la rete Enel. In questo modo, essendo la rete Enel enormemente prevalente sulla macchina in prova, si ha la certezza che la frequenza e la tensione d'uscita rimangono costanti. Basterà variare l'eccitazione e la coppia motrice applicata all'alternatore per realizzare le condizioni richieste per il tracciamento delle curve.

Macchine sincrone
Programma per la classe quinta
Home Page