Alimentazione e regolazione dei circuiti di misura

Nel condurre una misura elettrica è quasi sempre necessario approntare un circuito di misura, alimentare e regolare l'intensità della tensione applicata al circuito o, la qual cosa è equivalente, regolare la corrente nel circuito. Noi ci limiteremo, per il momento, ad approfondire il caso di circuiti in corrente continua per la cui regolazione si impiegano dei resistori regolabili (a due morsetti) o dei resistori potenziometrici (a tre morsetti):

I resistori potenziometrici, alimentati da una tensione costante V [V] tra i morsetti A e B, consentono di derivare una tensione variabile tra 0 e V [V] tra i morsetti C e B. La tensione derivata è 0 quando il cursore si trova all'estrema destra, è V [V] quando il cursore si trova all'estrema sinistra.

Alimentazione dei circuiti di misura in corrente continua

La più importante qualità richiesta alle sorgenti di energia è la stabilità nel tempo della tensione fornita. Si usano solitamente le seguenti sorgenti:

a) Batterie di accumulatori al piombo. La tensione ai morsetti di un accumulatore al piombo durante la scarica si abbassa rapidamente da 2,2 [V] a 2 [V] per elemento e poi, molto più lentamente, decresce fino a 1,9 [V]. In seguito la diminuzione si accentua e alla tensione di 1,8 [V] si può ritenere l'accumulatore scarico. Lavorando nella zona compresa tra 2 e 1,9 [V] si ottiene quindi una discreta stabilità della tensione soprattutto se si fa erogare alla batteria una corrente notevolmente inferiore al suo valore nominale. Collegando in serie parecchi elementi si formano batterie aventi tensioni fino a 200 ÷ 300 [V] con capacità di alcune decine di [Ah]. Collegando in parallelo pochi elementi aventi ciascuno capacità di alcune centinaia di [Ah] si formano batterie capaci di erogare, su circuiti di piccola resistenza, valori di corrente di 1000 ÷ 2000 [A].

b) Gruppi generatori. Sono costituiti da un motore in corrente alternata che trascina una dinamo (oppure da un motore in corrente continua, alimentato da batterie di accumulatori, accoppiato sempre ad una dinamo). Hanno il vantaggio di permettere una variazione continua della tensione, mentre le batterie di accumulatori necessitano di reostati in derivazione che determinano notevoli dispendi d'energia. Inoltre, dotando il gruppo di un sensibile regolatore di velocità, è possibile rendere estremamente stabile la tensione sia nel tempo che al variare della corrente erogata. Hanno lo svantaggio di fornire una tensione modulata (cioè costituita da una componente continua e da una, seppur piccola, alternata sovrapposte) e per le misure di elevata precisione questo fatto può essere causa di disturbi.

c) Alimentatori elettronici. Questi apparecchi tendono a sostituire le sorgenti sopra citate.


Ricevono energia dalla rete in corrente alternata e la presentano ai morsetti d'uscita trasformata in corrente continua con elevata stabilità. La figura mostra lo schema a blocchi di un alimentatore. Vediamo che la tensione di rete è applicata ad un circuito raddrizzatore e successivamente ad un circuito filtro particolarmente efficace da cui esce trasformata in tensione continua avente una componente alternata trascurabile. Tale tensione è poi sottoposta all'azione di un circuito regolatore automatico che è comandato, attraverso un amplificatore, da un segnale di tensione differenza tra la tensione d'uscita e una tensione costante di riferimento. La tensione d'uscita passa infine per un circuito di regolazione manuale mediante il quale si può ottenere il valore desiderato ai capi del circuito di misura. Si costruiscono alimentatori che forniscono tensioni continue fino a 30 [kV] ed altri che erogano correnti fino a 1000 [A]. Le variazioni della tensione d'uscita sono contenute a ± 0,001% del valore prefissato anche per variazioni della tensione alternata d'alimentazione di ± 10% del valore nominale.

Regolazione in corrente continua con resistori in serie

Lo schema riportato sopra mostra la regolazione con resistore in serie. Con V0 [V] si è indicata la f.e.m. costante del generatore (assunto ideale e quindi privo di resistenza interna) che alimenta il circuito, con R [W] la resistenza propria del circuito di misura, con RS [W] la resistenza del resistore ed rS [W] la porzione di resistore inserita. Per un prefissato valore di R, il valore minimo della corrente nel circuito vale [A] ottenibile con rS = RS, il valore massimo vale [A] ottenibile con rS = 0. Queste relazioni permettono di scegliere opportunamente il valore del reostato o della tensione di alimentazione una volta fissato il campo di regolazione desiderato per la corrente.

Vediamo di determinare come varia la corrente nel circuito al variare della porzione di reostato inserita, supponendo costanti RS ed R. Applicando la legge di Ohm si ha , dividendo entrambi i membri per si ha:

Infine dividendo numeratore e denominatore per RS e ponendo si ha:

Il diagramma sopra riportato mostra la funzione I/Imax = f(a) per diversi valori di RS/R. Si osserva che tale variazione è quasi lineare (con lineare si intende rettilinea in modo tale che le variazioni di corrente siano proporzionali alle variazioni di reostato inserito) solo nel caso di RS/R molto piccolo e, purtroppo, con tale condizione il campo di variazione per la corrente è molto piccolo. Se si desidera un campo di variazione ampio bisogna aumentare RS/R ma così facendo si ha una variazione assolutamente non lineare e quindi sgradita. In nessun modo si riesce a raggiungere il valore zero per la corrente nel circuito. In definitiva questo tipo di regolazione è accettabile purché non sia necessario raggiungere il valore zero di corrente ed il campo di variazione sia limitato.

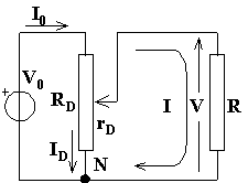
Regolazione in corrente continua con resistori in derivazione

Lo schema riportato sopra mostra la regolazione con resistore in derivazione. Con V0 [V] si è indicata la f.e.m. costante del generatore (assunto ideale e quindi privo di resistenza interna) che alimenta il circuito, con R [W] la resistenza propria del circuito di misura, con RD [W] la resistenza del resistore ed rD [W] la porzione di resistore inserita. Per un prefissato valore di R, il valore minimo della corrente I nel circuito di misura vale 0 [A] ottenibile con rD = 0, il valore massimo vale [A] ottenibile con rD = RD (questa relazione permette di scegliere opportunamente il valore della tensione di alimentazione una volta fissato il campo di regolazione desiderato per la corrente).

Vediamo di determinare come varia la corrente I nel circuito di misura al variare della porzione di reostato inserita, supponendo costanti RD ed R. Analizzando il circuito si ottiene:

dividendo entrambi i membri per si ha:

.

Infine dividendo numeratore e denominatore per RD e ponendo , dopo opportune semplificazioni si ha:

Il diagramma sopra riportato mostra la funzione I/Imax = f(a) per diversi valori di RD/R. Si osserva che l'andamento approssima tanto più quello lineare quanto più è piccolo RD/R , questo significa dover tenere valori piccoli per RD il che comporta come conseguenza la presenza di valori molto elevati di corrente I0 ed ID sul reostato anche per correnti I molto piccole nel circuito di misura. Ovviamente questo fatto è indesiderato in quanto la portata dei reostati di precisione è limitata e, inoltre, si ha una significativa dissipazione per effetto Joule anche in assenza di corrente nel circuito.

Alimentazione dei circuiti di misura in corrente alternata

Deve essere garantita la stabilità sia del valore efficace che della frequenza della tensione, inoltre la forma d'onda deve essere perfettamente sinusoidale. Si usano solitamente le seguenti sorgenti:

a) Rete di distribuzione ENEL. E' il sistema più diffuso anche perché la frequenza è garantita al valore 50 ± 0,05 [Hz]. Il valore efficace può variare in modo più ampio, tuttavia l'impiego di adeguati stabilizzatori riconduce le variazioni a valori accettabili (la presenza degli stabilizzatori può però deformare la forma dell'onda).

b) Gruppi generatori. Sono costituiti da un motore in corrente continua, alimentato da batterie, che trascina un alternatore il quale produce l'energia in corrente alternata necessaria. Questa scelta permette di avere una alimentazione completamente autonoma, esente dai disturbi eventualmente presenti nella rete di distribuzione. Inoltre permette di variare a piacere la frequenza ed il valore efficace della tensione senza determinare deformazioni nella forma dell'onda.

c) Stazioni di alimentazione elettroniche. Sono dispositivi elettronici completamente statici che permettono di generare tensioni alternate con frequenze comprese tra 5 e 100000 [Hz]. Le tensioni ottenibili arrivano a 1000 [V], le correnti a 20 [A]. La stabilità della frequenza e del valore efficace della tensione arriva a ± 0,01%. La deformazione della forma dell'onda è ancor più piccola di quella propria della rete ENEL.

Regolazione in corrente alternata

Nel caso di alimentazione dalla rete è necessario rendere variabile, meglio se con continuità, il valore fisso di tensione che la rete fornisce al circuito di misura. Questo compito viene generalmente assolto mediante i regolatori a induzione e i variatori a contatto strisciante (VARIAC). I primi sono impiegati quasi esclusivamente in circuiti di potenza elevata (dell'ordine delle decine di chilovoltampere) e consistono di un motore asincrono trifase alimentato dal rotore il quale non è libero di girare ma può essere fatto ruotare solo manualmente o mediante un dispositivo automatico, la tensione regolata si preleva dallo statore. I secondi sono preferiti per i circuiti di potenza inferiore e consistono di autotrasformatori a rapporto di trasformazione variabile.

Misure elettriche
Programma per la classe terza
Home Page