Misura di resistenza in corrente continua

Le misure di resistenza si differenziano da quelle di corrente e tensione per il fatto che si deve misurare una grandezza, la resistenza o la resistività, la quale costituisce una proprietà fisica del materiale impiegato come conduttore nel circuito. Per misurare il valore di questa grandezza occorre quindi rendere elettricamente attivo il materiale conduttore, ossia applicargli una sorgente di forza elettromotrice esterna che consenta la circolazione di una corrente. Inoltre non bisogna dimenticare che la resistenza e la resistività variano al variare della temperatura, quindi i valori di resistenza misurati andranno sempre associati alla temperatura del conduttore sottoposto a misura.

Si definiscono resistenze piccole quelle inferiori a 1 [W] (piccolissime se < 0,01 [W]); resistenze medie quelle comprese tra 1 e 100.000 [W]; resistenze grandi quelle superiori a 100.000 [W].

I metodi e gli strumenti atti alla misura di resistenze sono numerosi, vediamone alcuni.

Doppio ponte di Thomson


E' particolarmente adatto alla misura di resistenze piccolissime. Tale metodo ha la caratteristica fondamentale di fornire una indicazione indipendente da eventuali variazioni di corrente nel circuito sul quale è inserita la resistenza in prova e pure indipendente entro grandi limiti dalle resistenze di collegamento (sono le resistenze dei fili impiegati per comporre il circuito di misura) e dalle resistenze di contatto (sono le resistenze che si presentano nei punti di connessione del circuito e dipendono dalla superficie di contatto, dalla pressione tra le parti in contatto, dal tipo di lavorazione superficiale e dalla purezza delle parti in contatto).

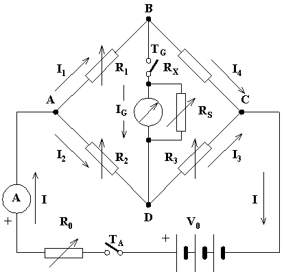
Il doppio ponte di Thomson permette di eseguire il confronto diretto tra le due cadute di tensione provocate rispettivamente dalla resistenza incognita RX e da una resistenza campione RC mediante il rapporto tra i valori di due coppie uguali di resistenze note e variabili R1, R2, regolate in modo da ridurre a zero la deviazione di un galvanometro G.

La resistenza campione è una resistenza di valore noto con elevatissima precisione. Tale resistenza viene costruita con quattro morsetti, due amperometrici e due voltmetrici. I morsetti amperometrici, riconoscibili perché di sezione molto grande, si impiegano per alimentare in corrente la resistenza. I morsetti voltmetrici, di sezione più piccola, tra i quali è presente la resistenza nominale, servono per prelevare la caduta di tensione che la corrente produce sulla resistenza.

Il galvanometro è uno strumento rilevatore del passaggio di corrente continua in un circuito. Viene costruito con lo zero centrale sulla scala (perché di solito non è noto a priori il verso della corrente). La sua sensibilità è altissima, arriva a segnalare la presenza di correnti dell'ordine dei nanoampere, tanto che noi assumeremo la corrente nota e pari a zero con errore nullo quando l'indice si troverà sullo zero della scala. Il galvanometro deve sempre essere inserito con uno shunt di protezione. Lo shunt è costituito da una resistenza RS posta in parallelo allo strumento, il suo valore deve essere piccolissimo (massima protezione, minima sensibilità) nelle fasi iniziali della misura, altissimo e poi infinito (protezione nulla, massima sensibilità) nelle fasi finali della ricerca delle condizioni d'equilibrio.

Il circuito di misura è costituito da:

a) un circuito amperometrico composto da un generatore di f.e.m. V0, un reostato variabile R0 per regolare la corrente, un amperometro A per tenere sotto controllo la corrente stessa, un interruttore TA col quale si comanda l'inserimento o meno del generatore al circuito, le resistenze incognita e campione. Lo scopo di questo circuito è quello di alimentare in corrente le resistenze RX ed RC al fine di produrre le cadute di tensione VMN e VPQ che verranno confrontate attraverso il circuito voltmetrico. La corrente nel circuito amperometrico deve essere regolata su di un valore inferiore alla portata della resistenza campione, peraltro indicata sulla sua targa.

b) un circuito voltmetrico composto di due rami identici aventi ciascuno le resistenze R1 ed R2. Intervenendo sul valore di R1 ed R2 si impone la condizione di equilibrio del doppio ponte, ovvero si impone che sia nulla la corrente IG nel ramo AB.

La condizione di equilibrio è senz'altro raggiungibile, infatti:

se R1 = 0 , R2 ¹ 0 Þ VAB = VMN > 0 e la corrente IG circola da A verso B

se R1 ¹ 0 , R2 = 0 Þ VAB = VQP > 0 e la corrente IG circola da B verso A

Quindi esisterà una posizione intermedia con R1 ed R2 entrambe non nulle per la quale sarà nulla la corrente IG ed il galvanometro avrà l'indice sullo zero.

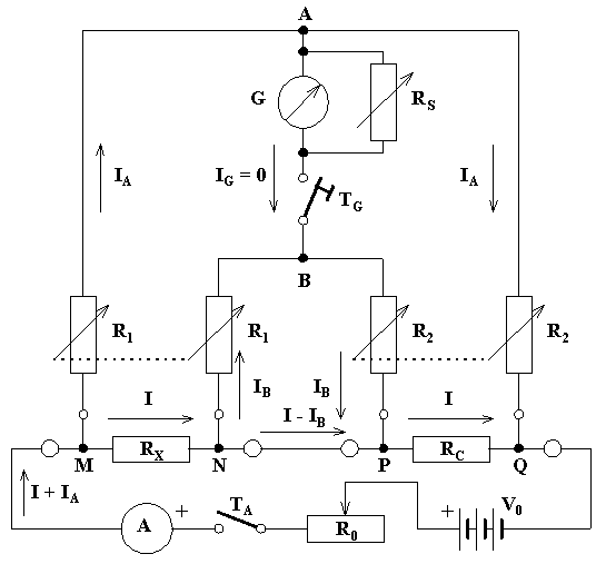
Ad equilibrio raggiunto le correnti nei vari rami saranno quelle indicate sullo schema e si potrà scrivere:

VMN = RX·I = R1·IA - R1·IB = R1·(IA - IB)

VPQ = RC·I = R2·IA - R2·IB = R2·(IA - IB)

Dividendo membro a membro si ottiene infine:

Trascurando l'errore dovuto alla sensibilità finita del galvanometro, si hanno i seguenti errori sul valore misurato ed il seguente valore vero di resistenza misurata:


La sensibilità complessiva del metodo è tanto maggiore quanto minore è la somma delle resistenze (R1 + R2), tuttavia la necessità di rendere trascurabili le resistenze di collegamento sconsiglia di assegnare a tale somma un valore minore di qualche decina di ohm. E' opportuno impiegare galvanometri di resistenza interna limitata, preferibilmente dello stesso ordine di grandezza della somma (R1 + R2). La sensibilità cresce aumentando la corrente nel circuito amperometrico, la quale verrà peraltro regolata sul massimo valore che si ritiene compatibile per non provocare sensibili sopraelevazioni di temperatura nella resistenza incognita o nella resistenza campione (quasi sempre è consigliabile che tale corrente non superi un decimo della più piccola delle portate delle due resistenze). E' conveniente che risulti così da ottenere l'equilibrio con un rapporto .

Metodo voltamperometrico

Il circuito di misura può essere col voltmetro a valle (commutatore T2 posizionato su N) oppure col voltmetro a monte (commutatore T2 posizionato su M) dell'amperometro:


L'inserzione col voltmetro a valle si utilizza nel caso di misura di resistenze piccole. Il valore della resistenza incognita vale sicuramente [W]. Mentre l'indicazione del voltmetro vale Vm = VX [V], l'indicazione dell'amperometro sarà pari a Im = IX + IV [A] dove IV è la corrente derivata dal voltmetro. Se si mettono a rapporto i valori misurati di tensione e corrente si ha:

chiamata resistenza misurata. Si osserva che è Rm < RX. Per potere calcolare la vera resistenza incognita bisogna eseguire:

dove RV è la resistenza interna del voltmetro. La differenza (Rm - RX) < 0 [W] è un errore di tipo sistematico dovuto all'autoconsumo del voltmetro. Tale errore risulta trascurabile solo se Im @ IX ovvero solo se IV << IX, ma perché ciò accada deve essere RX << RV considerando che e che . Riassumendo si può dire che la resistenza misurata è praticamente coincidente con quella incognita solo se questa è piccola e se il voltmetro ha una resistenza interna molto elevata, usando invece la formula corretta dall'errore di autoconsumo si calcola senz'altro la resistenza incognita anche se non è soddisfatta la condizione appena citata.

Si dimostra che la resistenza misurata coincide col parallelo tra la resistenza incognita e la resistenza interna del voltmetro.

L'inserzione col voltmetro a monte si utilizza nel caso di misura di resistenze grandi. Il valore della resistenza incognita vale sicuramente [W]. Mentre l'indicazione dell'amperometro vale Im = IX [A], l'indicazione del voltmetro varrà Vm = VX + VA [V] dove VA è la caduta di tensione sull'amperometro. Se si mettono a rapporto i valori misurati di tensione e corrente si ha:

chiamata resistenza misurata. Si osserva che è Rm > RX. Per potere calcolare la vera resistenza incognita bisogna eseguire:

dove RA è la resistenza interna dell'amperometro. La differenza (Rm - RX) > 0 [W] è un errore di tipo sistematico dovuto all'autoconsumo dell'amperometro. Tale errore risulta trascurabile solo se Vm @ VX ovvero solo se VA << VX, ma perché ciò accada deve essere RA << RX considerando che e che .

Riassumendo si può dire che la resistenza misurata è praticamente coincidente con quella incognita solo se questa è grande e se l'amperometro ha una resistenza interna molto piccola, usando invece la formula corretta dall'errore di autoconsumo si calcola senz'altro la resistenza incognita anche se non è soddisfatta la condizione appena citata.

Si dimostra che la resistenza misurata coincide con la serie tra la resistenza incognita e la resistenza interna dell'amperometro.

Indipendentemente dall'errore sistematico d'autoconsumo e dal tipo di inserzione, il grado di approssimazione che il metodo voltmetrico consente di conseguire dipende dall'entità degli errori che si commettono nella misura della tensione e della corrente. Se eV% ed eA% rappresentano il valore degli errori percentuali relativi a queste misure, nel calcolo della resistenza incognita si commette un errore:

eR% = eV% + eA%

L'errore assoluto sarà:

ed il valore vero varrà:

Per tale motivo in queste misure è sempre necessario impiegare strumenti di buona classe.

Ponte di Wheatstone


Si tratta di un circuito di misura a sei lati e quattro nodi adatto alla misura di precisione delle resistenze medie. Dei sei lati, uno è costituito dalla resistenza incognita RX, tre da altrettante resistenze di precisione tarate, di cui almeno una variabile, mentre gli altri due sono rappresentati rispettivamente da un galvanometro magnetoelettrico (sulla diagonale di rivelazione) e da un generatore costituito da una pila o da un accumulatore (sulla diagonale di alimentazione).

In un circuito di questo tipo risultano a priori determinati, in base alla polarità della pila, i versi delle correnti nella diagonale di alimentazione e nei quattro lati del quadrilatero, mentre la corrente nella diagonale di rivelazione può assumere l'uno o l'altro dei due versi oppure annullarsi, a seconda che il potenziale elettrico in B risulti maggiore, minore o eguale a quello in D : in quest'ultimo caso il galvanometro non accuserà più alcuna deviazione e si dirà che il ponte si trova nella condizione di equilibrio.

Con riferimento alle notazioni indicate in figura, quando è realizzata la condizione di equilibrio del ponte valgono le relazioni seguenti:

IG = 0 ; I1 = I4 ; I2 = I3 ; VB = VD

Poiché in tali condizioni i punti B e D vengono a trovarsi allo stesso potenziale, la caduta di tensione che si ha nella resistenza R1 eguaglia esattamente la caduta che si ha nella resistenza R2, e risulta quindi:

R1·I1 = R2·I2

Per la stessa ragione deve anche essere:

RX·I4 = R3·I3

Eseguendo il rapporto tra queste due relazioni e ricordando le eguaglianze I1 = I4 , I2 = I3 si ottiene la condizione di equilibrio del ponte:

Il procedimento per la misura della resistenza incognita si riduce pertanto a variare almeno una delle altre tre resistenze fino a realizzare la condizione di equilibrio del ponte, la quale è raggiunta quando si osserva che aprendo e chiudendo il tasto TG del galvanometro, questo rimane immobile.

Poiché la misura si effettua regolando il ponte in modo da annullare la corrente che attraversa il galvanometro, si dice che il procedimento in questione (come già quello del doppio ponte di Thomson) è un metodo di riduzione a zero.

Le due resistenze R1 ed R2 di cui interessa sostanzialmente il solo rapporto vengono indicate col nome di lati di proporzione del ponte, mentre la resistenza R3 viene considerata come lato di paragone.

Una caratteristica importante del ponte è rappresentata dalla sua sensibilità. Per definire questa grandezza si consideri il ponte nella sua condizione di equilibrio in cui IG = 0 [A]. A partire da questa condizione si immagini di imprimere alla resistenza RX una piccolissima variazione DRX , nella diagonale di rilevazione si determina in tal modo un certo incremento di corrente DIG. Il rapporto:

definisce la sensibilità del ponte, che quindi è tanto più elevata quanto minore sarà lo scostamento che può subire rispetto al valore di equilibrio la resistenza inserita nel lato di misura per provocare la minima deviazione apprezzabile dal galvanometro.

Si può dimostrare che la sensibilità del ponte:

a) è tanto più grande quanto più è grande la sensibilità del galvanometro inserito;

b) è tanto più elevata quanto più è elevata la tensione di alimentazione V0, con la limitazione imposta dalla limitata portata in corrente delle resistenze inserite;

c) a parità di altre condizioni, è massima quando:

dove R0T ed RG sono le resistenze della diagonale di alimentazione e della diagonale di rilevazione.

In generale la sensibilità sopra definita raggiunge valori sufficientemente elevati da rendere trascurabile l'errore sistematico di misura che vi è connesso.

Più importante è l'errore dipendente dalla imprecisione propria delle tre resistenze campione che compongono il ponte. Se con e1%, e2%, e3% si indicano gli errori relativi percentuali delle tre resistenze, l'errore relativo percentuale che si commette nella determinazione della resistenza incognita vale:

eX% = e1% + e2% + e3%

L'errore assoluto sarà:

ed il valore vero varrà:


Metodo di sostituzione

Quando la resistenza da misurare diviene troppo elevata (nel caso della resistenza d'isolamento per i cavi si raggiunge il milione di megaohm) l'impiego del ponte di Wheatstone non dà più risultati attendibili perché di questo ordine è la resistenza d'isolamento dei morsetti tra i quali si allaccia la resistenza da misurare: ciò significa che in parallelo alla resistenza da misurare se ne trova un'altra che è dello stesso ordine di grandezza e che quindi fa perdere ogni validità alla misura. Inoltre è anche difficile poter dare a tutti gli elementi del ponte dei valori di resistenza che siano dello stesso ordine di grandezza di quella incognita. In questi casi si ricorre al metodo di sostituzione, il quale consiste nel misurare la corrente circolante in un circuito nel quale sia inserito alternativamente il resistore incognito RX ed un resistore campione RK di valore molto elevato: dal loro confronto si può risalire al valore cercato.

Pur avendo menzionato l'esistenza di tale metodo, noi non lo tratteremo.

Ohmmetri

Sono strumenti da tavolo o portatili che permettono la misura diretta di resistenze. Ne esistono di vari tipi, fra quelli elettromeccanici si hanno gli ohmetri amperometrici e gli ohmetri a bobine incrociate. Vi sono poi multimetri, sia elettromeccanici che digitali, che presentano tra le altre funzioni anche quella di ohmetri.

Fino a qualche anno fa la precisione di tali strumenti era inadeguata per soddisfare misure di elevato livello, ora sono disponibili nella versione digitale strumenti che permettono buoni livelli di precisione. Pur avendo menzionato l'esistenza di tali strumenti, noi non lo tratteremo.

Misure elettriche
Programma per la classe terza
Home Page