Misura di forza elettromotrice col metodo di opposizione

La misura di f.e.m. di un generatore elettrochimico è essenzialmente una misura di tensione. Se si desidera che tale misura sia di eccellente precisione bisogna assicurarsi che:

  1. il generatore non eroghi corrente durante la misurazione, infatti, se così non fosse si finirebbe per misurarne la tensione d'uscita che differisce sensibilmente dalla f.e.m. a causa della caduta di tensione interna al generatore stesso (ovvero si deve fare la misura col generatore a vuoto);
  2. l'errore di misura sia piccolissimo, questo fatto preclude la possibilità di impiegare voltmetri che limiterebbero la precisione raggiungibile alla loro intrinseca classe di precisione.

Per tali motivi si è messo a punto un metodo di misura indiretto basato sull'impiego del galvanometro, chiamato metodo di opposizione (o metodo potenziometrico). L'importanza di tale metodo è rilevante in quanto un gran numero di misure elettriche può sempre ricondursi a opportune misure di tensione, così che il metodo in questione e le varie realizzazioni tecniche che ne derivano assumono nel campo delle misure elettriche un carattere universale.

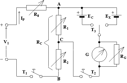
Il circuito di misura è riportato sopra. Si osserva la presenza di due reostati variabili (realizzati nella forma di cassette a decadi di elevata precisione) R1 e R2 di valore inserito tale per cui la somma R1+R2 = RC sia costante: si tratta in definitiva di un resistore potenziometrico (da cui la denominazione di metodo potenziometrico). Vi sono poi due pile, una campione EC ed una di f.e.m. incognita EX, selezionabili attraverso il commutatore T3 ed un galvanometro G (col suo shunt di protezione RG) inseribile mediante il tasto T2. Infine si nota la sorgente continua V1 necessaria per alimentare il circuito ed il reostato di regolazione della corrente R0, il tasto T1 permette di inserire o no il circuito d'alimentazione.

Il procedimento di misura consiste nelle seguenti fasi:

  1. col tasto T2 aperto e nessuna pila inserita si regola R0 in modo tale che, assegnata una tensione d'alimentazione V1, la corrente IP assuma il valore desiderato, compatibile con le portate in corrente dei reostati a cassetta R1 ed R2 (si consideri che R1+R2 = RC è costante e noto). Questa fase è chiamata fase di dimensionamento del circuito d'alimentazione, i valori di V1 e di R0 non dovranno poi più essere modificati.
  2. si chiude il tasto T1 e si commuta T3 in modo tale da inserire la pila campione. Quindi si chiude il tasto T2 e si variano R1 ed R2 (mantenendo costante la loro somma) fino a che il galvanometro si azzera. Realizzata tale condizione si potrà scrivere la relazione EC = R 1C·IP dove 1C è il valore di reostato R1 che realizza l'azzeramento del galvanometro (si consideri che col galvanometro azzerato è nulla la corrente nel suo ramo e, quindi, nulla la c.d.t. sul galvanometro stesso; inoltre, sempre per lo stesso motivo, la corrente su R1 sarà la stessa presente su R0). Infine si riapre il tasto T2.
  3. si commuta T3 in modo tale da inserire la pila di f.e.m. incognita. Quindi si chiude il tasto T2 e si variano R1 ed R2 (mantenendo costante la loro somma) fino a che il galvanometro si azzera. Realizzata tale condizione si potrà scrivere la relazione EX = R 1X·IP dove 1X è il valore di reostato R1 che realizza l'azzeramento del galvanometro (la spiegazione è la stessa data sopra). Per ultimo, essendo finita la fase operativa, si aprono entrambi gli interruttori T1 e T2.

Mettendo a rapporto le espressioni sopra scritte si ha:

Si osserva come la misura venga eseguita senza che la pila eroghi alcuna corrente, ovvero si è sicuramente misurata la sua f.e.m.. Inoltre la f.e.m. incognita è calcolata in funzione della f.e.m. della pila campione, nota con grandissima precisione, e dei valori del reostato variabile R1, pure noti con grandissima precisione se si tratta di un reostato a cassetta variabile a decadi, in definitiva la precisione raggiungibile è sicuramente migliore di quella ottenibile con un qualsiasi voltmetro (l'impiego del voltmetro porterebbe inoltre lo svantaggio di dare luogo ad una erogazione di corrente da parte della pila, impedendone la misura della vera f.e.m.).

Se si pensa alle operazioni eseguite risulta chiaro il perché della denominazione di metodo di opposizione, infatti si è operato opponendo alle f.e.m. delle pile via via inserite la caduta di tensione su reostati di precisione.

E' importante porre ulteriormente in evidenza il fatto che non sia stata necessaria la misura diretta di nessuna grandezza elettrica, a volte si inserisce un amperometro per il controllo della corrente nel circuito di alimentazione ma la sua indicazione non viene assolutamente utilizzata.

Per quanto riguarda l'errore da attribuire al valore misurato di f.e.m., ipotizzando che l'incertezza del galvanometro sia trascurabile, vale quanto segue:

1) la pila campione ha una incertezza pari ai decimali non riportati nel suo valore nominale. Se il suo valore nominale è EC = 1,0193 [V] la sua incertezza sarà DEC = 0,00009 [V] che comporta un errore relativo percentuale:

2) il reostato di precisione R1 presenta un errore relativo percentuale pari a eRC% riportato sulla sua targa, da considerarsi costante qualsiasi sia il valore impostato. Quindi gli errori relativi sui valori di R1 che azzerano il galvanometro valgono eRC%.

3) tenendo conto della propagazione degli errori si ha infine:

Se si assumono eEC% = 0,009 , eRC% = 0,05 (valori facilmente ottenibili) si ha un errore relativo finale pari a eEX% = 0,109 , quasi 5 volte più piccolo di quello ottenibile con i normali voltmetri da laboratorio di classe 0,5.

Descriviamo ora in dettaglio la fase di dimensionamento del circuito d'alimentazione. Supponiamo di disporre di una sorgente continua V1 = 12 [V] e di reostati di precisione R0 , R1 , R2 variabili tra 0 [W] e 11111 [W] con portata in corrente pari a In = 22 [mA]. Con tali scelte il valore costante del potenziometro dovrà essere R1+R2 = RC = 11111 [W] e la corrente nel circuito di alimentazione potrà variare tra i due estremi:

Tali valori sono pienamente compatibili con la portata in corrente dei reostati di precisione scelti. Potremmo fissare come corrente nel circuito d'alimentazione IP = 1 [mA] il che comporterebbe la assegnazione al reostato R0 del valore:

Tale valore non dovrà più essere cambiato.

Dopo aver stabilito la corrente di alimentazione sarà opportuno calcolare i valori di R1 ed R2 per i quali si dovrebbe azzerare il galvanometro quando è inserita la pila campione. Assumendo per la pila campione il valore EC = 1,0193 [V] si ha:

Passando all'esecuzione potrebbe anche verificarsi che tali valori non azzerino il galvanometro, questo perché la tensione di alimentazione può differire leggermente dal valore prefissato e perché possono essere sensibili gli effetti introdotti dalle resistenze dei collegamenti e dei contatti. Si tratterà allora di procedere per tentativi variando i due reostati R1 ed R2 fino all'azzeramento del galvanometro. E' importante osservare tuttavia che tali problemi non hanno alcun effetto negativo sulla precisione del metodo, purché durante la prova non vengano variati V1 ed R0.

Per quanto riguarda la sensibilità del metodo di opposizione, ovvero la capacità di rilevare attraverso una deviazione dell'indice del galvanometro una seppur piccola variazione della f.e.m. incognita, si può dimostrare che la sensibilità è tanto più grande:

  1. quanto più è sensibile il galvanometro;
  2. quanto minore è la resistenza del circuito di opposizione (che comprende la resistenza interna della pila e del galvanometro;
  3. quanto minore è la resistenza del reostato di regolazione della corrente d'alimentazione;
  4. quanto più elevata è la corrente d'alimentazione;
  5. quanto più vicino all'unità è il rapporto tra la f.e.m. che si vuole misurare e la tensione di alimentazione.

Misure elettriche
Programma per la classe terza
Home Page